Vorschlag Baustoffe - Steine - Erden | 2015
Heißmehlhemmschuh für Drehrohröfen
In Zementwerken wird im Wärmetauscherturm das Rohmehl oder Heißmehl in Zyklonen erhitzt, bevor es in den Drehrohrofen gelangt. Obwohl das Heißmehl ein Fließverhalten ähnlich wie Wasser besitzt, kommt es immer wieder zu größeren Anbackungen in den Zyklonen. Bei der Beseitigung dieser Anbackungen trat immer wieder Heißmehl unkontrolliert aus und führte zu schweren Verbrennungen bei Mitarbeitern. Ein neuer Hemmschuh verhindert den Austritt von Rohmehl.
Für die Beseitigung der Anbackungen wird ein Druckgasverfahren, das sogenannte Cardoxverfahren, angewendet. Hierfür wird ein mit CO2 gefülltes Rohr durch spezielle Stutzen in das Zykloninnere eingebracht. Diese Stutzen besitzen eine Klappe, die pendelfähig vor der Öffnung angebracht ist. Die Klappe wird zur Seite bewegt, das Rohr eingeführt und ein Gasstoß löst die Anbackungen. Nach dem Herausziehen des Rohres aus dem Stutzen sollen die Pendelklappen eigentlich von selbst wieder vor die Öffnung fallen, damit es nicht zu einem unkontrollierten Auslaufen von Heißmehl kommt. Trotz Hitzeschutzkleidung kann das heiße Material den Mitarbeitern schwere Verbrennungen zufügen, wenn es z. B. zwischen Jackenärmel und Handschuh läuft. Diese Pendelklappen korrodieren jedoch sehr schnell und verlieren dadurch an Beweglichkeit.
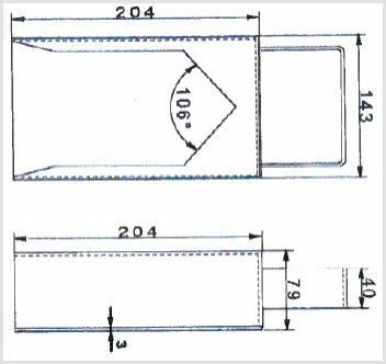
Ein findiger Mitarbeiter der Deuna Zement GmbH hat eine Vorrichtung entwickelt, mit der die Öffnung unmittelbar nach der Entnahme des Cardoxrohres verschlossen werden kann. Dieser sogenannte Heißmehlhemmschuh besteht aus einem rechteckigen Metallgehäuse mit einem Griff auf der geschlossenen Oberseite. Das Gehäuse ist auf der Unterseite vollständig offen und auf der Rückseite so weit ausgeschnitten, dass die Vorrichtung passgenau auf den Cardoxstutzen aufgeschoben werden kann. Vor dem Herausziehen des Cardoxrohres wird der Heißmehlhemmschuh seitlich an den Stutzen angesetzt. Ist das Rohr vollständig herausgezogen, schiebt ein zweiter Mitarbeiter den Hemmschuh unverzüglich über die Stutzenöffnung. Somit wird ein Heißmehlaustritt effektiv verhindert und das Cardoxrohr kann ohne Hektik abgelegt werden. Die Verschlusskappe kann angesetzt und nach dem Zurückziehen des Hemmschuhs in die Cardoxöffnung eingeschraubt werden.
Die Beseitigung von Verstopfungen in Zyklonen ist aufgrund der dort herrschenden hohen Temperaturen eine Tätigkeit mit hohem Gefährdungspotenzial. Heißmehl fließt wie Wasser und ist dadurch nur schwer beherrschbar. Mit dem Heißmehlhemmschuh ist ein Werkzeug entwickelt worden, das den Austritt von Heißmehl aus den Öffnungen nach der Beseitigung einer Anbackung wirksam verhindert. Der Heißmehlhemmschuh ist einfach konstruiert und ebenso einfach einsetzbar. Die Herstellung ist in jeder Werkstatt möglich, sodass auch bei unterschiedlichen Stutzendurchmessern ein passender Heißmehlhemmschuh angefertigt werden kann.
2015
Themenverwandte Beiträge:
- Vorrichtung zum Öffnen der Entladeschurren an Waggons (2004)
- Auslaufschutz für Betonrutschen (2015)
- Magnetschutzkappe für Fräsköpfe (2015)
- Flexible Kennzeichnung von Industrie- und Produktionsanlagen bei Revisionsarbeiten (2015)
- Sicheres Arbeiten am Laborwalzwerk (2015)
- Fahrbare Arbeitsbühne für Zentrifugenreparaturen (2015)
- Sicherer Zugang zu Anlagen auf Dachflächen (2015)
- Mobiler Spritzschutz zum Öffnen von Rohrleitungsflanschen (2015)
- Anpassbare Absturzsicherung für Dacharbeiten bei verschiedenen Fertiggaragentypen (2015)
| Jahr: | 2015 |
|---|---|
| Kategorie: | Herstellung von Transportbeton / Mörtel / Trockenbaustoffen |
| Kontakt: |
Deuna Zement GmbH Industriestraße 7 37355 Deuna Internet: www.dyckerhoff.de |






